EZS8WSS3K

ezH2O® Bottle Filling Station with Single ADA Cooler Non-Filtered Refrigerated Stainless 220V

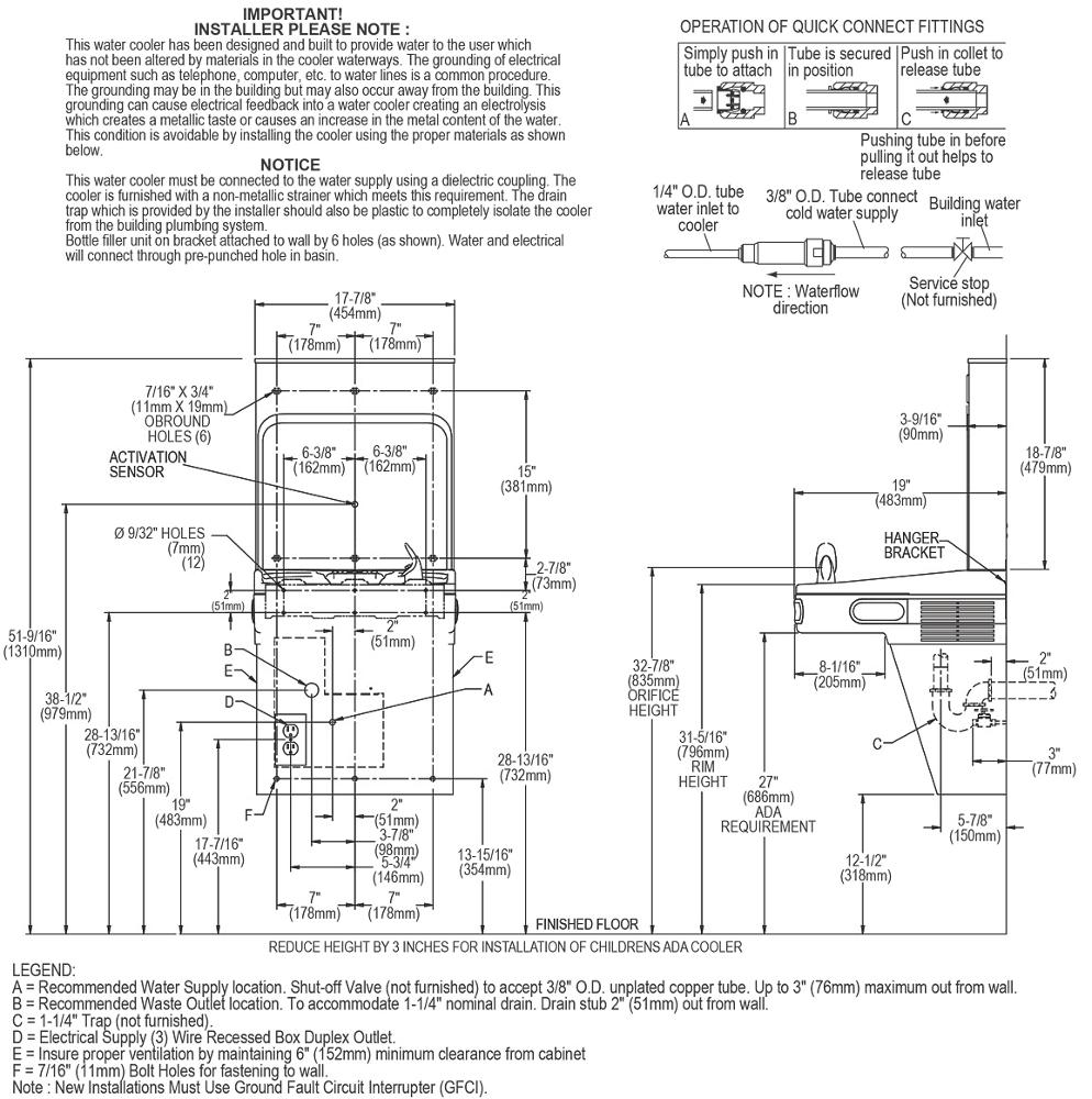
ADA Yes
Installation Location Indoor
Power 220V/60Hz
Material Stainless Steel
Finish Stainless Steel
Features Antimicrobial
Green Ticker™
Hands Free
Laminar Flow
Real Drain
Number of Stations 1
Bubbler Style Flexi-Guard ® Safety Bubbler
Filtered No
Chilling Capacity 8.0 GPH
Mounting Type Wall Mount (On Wall)
Included with Product Water Cooler (EZS8WSS3JO)
Bottle Filler (EZWSRJO)
Ships In Multiple Boxes Yes
Country Of Origin USA
Dimensions L: 18-3/8"
W: 19"
H: 39-1/16"
Shipping Dimensions L: 24"
W: 28-1/8"
H: 24-5/8"
Shipping Weight 82 LBS

The Elkay EZH2O® Bottle Filling Station delivers a clean quick water bottle fill and enhances sustainability by minimizing our dependency on disposable plastic bottles. Complete cooler and bottle filling station in a consolidated space saving ADA compliant design. Bottle Filler features sanitary no-touch sensor activation with automatic 20-second shut-off timer.

  • Touchless, sensor-activated bottle filler designed for easy use; easy-to-operate push-bar-activated bubbler
  • Hermetically sealed refrigeration system provides chilled water to satisfy thirst
  • Fill rate is 1.1 GPM
  • Green Ticker™ informs user of number of 20 oz. plastic water bottles saved from waste
  • Key plastic components are manufactured with silver ion antimicrobial agent helping to provide clean, stain- and odor-free surfaces
  • Silver ion antimicrobial protection on key plastic components to inhibit the growth of mold and mildew
  • Real drain system eliminates standing water
  • Flexi-Guard bubbler provides a flexible antimicrobial mouth guard that protects against injury and microorganisms from growing on it
  • Rated for indoor use